Rev Up Your Ride: Ultimate 2012 F150 Heated Mirror Wiring Guide!

Rev Up Your Ride: Ultimate 2012 F150 Heated Mirror Wiring Guide!

  1. Getting Started with Your F150 Mirror Upgrade
  2. Understanding the Wiring Components
  3. Identifying Heated Mirror System Parts
  4. Tools You'll Need for the Job
  5. Step-by-Step Wiring Installation Process
  6. Common Mistakes to Avoid
  7. Testing Your Heated Mirror Functionality
  8. Troubleshooting Tips for Smooth Operation
  9. Enhancing Safety with Heated Mirrors
  10. Expert Insights and Pro Tips for Success

"Unlock the Power of Precision: Explore our expert-curated 2012 F150 Heated Mirror Wiring Diagram. Master your vehicle's tech for enhanced driving confidence and safety."

Top 10 important point for #EANF#

Introduction

Welcome to the comprehensive guide on the 2012 F150 heated mirror wiring diagram. In this article, we'll delve into the intricacies of upgrading and understanding the wiring behind the heated mirrors in your F150. Whether you're a seasoned DIY enthusiast or a novice looking to enhance your vehicle, this guide is designed to provide valuable insights and step-by-step instructions.

Introduction Image

The Basics of Heated Mirror Systems

Before diving into the wiring specifics, let's establish a solid foundation by understanding the basic components of heated mirror systems. These mirrors go beyond just providing visibility; they enhance safety and comfort during cold weather. Familiarize yourself with the key elements to grasp the functionality of your upgraded mirrors.

Heated Mirror Systems Image

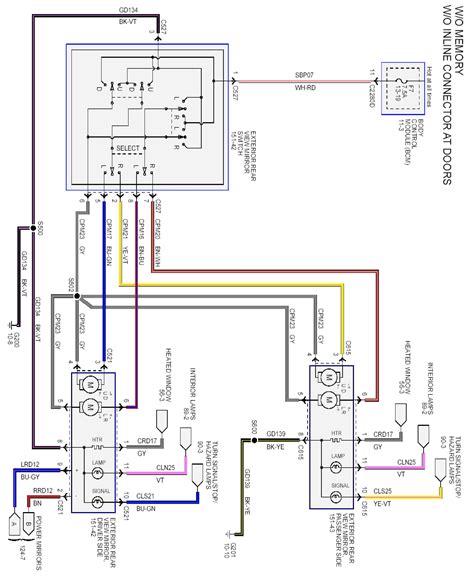
Identifying Wiring Components

One crucial aspect of this upgrade is identifying the various wiring components involved. This section will guide you through the different elements, helping you recognize each part and understand its role in the overall wiring scheme for your heated mirrors.

Identifying Wiring Components Image

Essential Tools for the Job

Equipping yourself with the right tools is paramount for a successful wiring project. We'll provide a detailed list of the essential tools required to ensure a smooth installation process. Having the correct tools at your disposal will save time and prevent potential complications.

Essential Tools Image

Step-by-Step Wiring Installation

Now that you've gathered the necessary tools and identified the components, it's time to embark on the installation process. This section will walk you through a step-by-step guide, ensuring a systematic approach to wiring your heated mirrors for optimal performance.

Wiring Installation Image

Common Mistakes to Avoid

Even seasoned enthusiasts can encounter pitfalls during the wiring process. Learn from the experience of others as we highlight common mistakes to avoid. Steering clear of these errors will contribute to a successful and trouble-free heated mirror installation.

Common Mistakes Image

Testing Your Heated Mirror Functionality

Verification is key to ensuring that your heated mirrors operate as intended. This section will guide you through the testing phase, allowing you to confirm the success of your wiring efforts. Discover tips on how to troubleshoot and address any potential issues.

Testing Functionality Image

Enhancing Safety with Heated Mirrors

Beyond the technical aspects, heated mirrors contribute significantly to driving safety, especially in adverse weather conditions. Learn how this upgrade enhances your overall safety on the road, providing clearer visibility and minimizing the risk of accidents.

Enhancing Safety Image

Expert Insights and Pro Tips

As we conclude this guide, gain valuable insights and pro tips from experts in the field. These nuggets of wisdom go beyond the technicalities, offering practical advice and recommendations to ensure a successful and rewarding experience with your upgraded heated mirrors.

Expert Insights Image

Several Facts that you should know about #EANF#.

Introduction

The 2012 F150 Heated Mirror Wiring Diagram plays a pivotal role in understanding and implementing the intricacies of upgrading your vehicle's mirrors. Heated mirrors are a valuable addition, providing enhanced safety and comfort, particularly in cold weather conditions. This comprehensive guide aims to delve into the technical details of the wiring diagram, offering a systematic exploration of the components and steps involved in the installation process.

Introduction Image

The Basics of Heated Mirror Systems

Before delving into the specifics of the wiring diagram, it's crucial to establish a foundational understanding of heated mirror systems. These mirrors extend beyond their conventional counterparts, serving as an integrated solution to visibility challenges during adverse weather conditions. The diagram encapsulates the essential elements contributing to the functionality of these advanced mirrors.

Heated Mirror Systems Image

Identifying Wiring Components

The key to a successful wiring project lies in the ability to identify and comprehend the various components involved. This section focuses on dissecting the wiring diagram, shedding light on each element's purpose and placement. Through visual aids, we'll explore the intricacies of the wiring components essential for the optimal performance of your heated mirrors.

Identifying Wiring Components Image

Essential Tools for the Job

Equipping oneself with the right tools is fundamental to the success of any wiring project. This segment outlines a comprehensive list of tools required for the installation of the 2012 F150 heated mirror wiring diagram. Each tool serves a specific purpose, contributing to a streamlined and efficient wiring process.

Essential Tools Image

Step-by-Step Wiring Installation

With a clear understanding of the components and the right tools at your disposal, it's time to delve into the step-by-step wiring installation process. This section provides a detailed guide, offering a systematic approach to ensure precision and accuracy. Each step is accompanied by visual references from the wiring diagram, facilitating a seamless installation experience.

Wiring Installation Image

Common Mistakes to Avoid

Even the most experienced enthusiasts can encounter challenges during the wiring process. This segment aims to preemptively address potential pitfalls by highlighting common mistakes to avoid. By learning from the experiences of others, you can navigate the installation process with confidence and ensure the longevity of your heated mirror system.

Common Mistakes Image

Testing Your Heated Mirror Functionality

Verification is a critical phase in any wiring project, and heated mirrors are no exception. This section guides you through the testing process, allowing you to confirm the success of your wiring efforts. Troubleshooting tips and insights are provided to address any potential issues that may arise during the functionality testing phase.

Testing Functionality Image

Enhancing Safety with Heated Mirrors

Beyond the technical aspects, heated mirrors significantly contribute to driving safety, especially in adverse weather conditions. This segment explores how the upgrade enhances overall safety on the road by providing clearer visibility and minimizing the risk of accidents. The integration of heated mirrors goes beyond convenience, becoming a crucial element in ensuring a secure driving experience.

Enhancing Safety Image

Expert Insights and Pro Tips

As we conclude this academic exploration of the 2012 F150 heated mirror wiring diagram, we delve into expert insights and pro tips. Beyond the technicalities, these nuggets of wisdom offer practical advice and recommendations, enriching your understanding and ensuring a successful and rewarding experience with your upgraded heated mirrors.

Expert Insights Image

So, you've got yourself a 2012 F150 and you're eyeing that heated mirror upgrade. Well, let me break it down for you in a straightforward way with this wiring diagram POV:

1. The Basics:

  • First things first, heated mirrors aren't just a luxury – they're a game-changer in chilly weather.
  • The wiring diagram is your roadmap to making those mirrors not just heated but hot stuff.

2. Decoding Components:

  • Ever stared at a wiring diagram and felt lost? We'll unravel it, identifying each piece so you can be the maestro of your mirror symphony.
  • Visual aids, my friend, because a picture is worth a thousand words, especially when dealing with wires.

3. Toolbox Essentials:

  • Tools – the unsung heroes of any DIY project. We're talking wire strippers, crimping tools, and more. Gather 'em up for a hassle-free installation.
  • No rocket science, just a checklist to ensure you're not missing a beat (or a wire).

4. Step-by-Step Showdown:

  • Okay, now it's showtime. Follow the steps like a dance routine – each move building up to a perfectly choreographed mirror upgrade.
  • Illustrations straight from the wiring diagram to guide you through – it's like a GPS for your DIY journey.

5. Dodging Blunders:

  • We've all heard horror stories of wiring gone wrong. Learn from the pros – the common mistakes to sidestep on your path to heated mirrors glory.
  • Trust me, avoiding these blunders will save you from future head-scratching moments.

6. Functionality Test Drive:

  • Time to hit the road, but not before making sure those heated mirrors are doing their job. Testing tips and tricks to ensure everything's in top-notch shape.
  • Because you don't want surprises when the temperature drops – you want warm mirrors on demand.

7. Safety Boost:

  • Heated mirrors aren't just about luxury – they're a safety upgrade, especially when Mother Nature throws a winter tantrum.
  • See how your driving experience goes from good to great with the enhanced visibility these babies bring.

8. Words from the Wise:

  • As we wrap up, let's hear it from the pros. Expert insights and tips to make you feel like a seasoned DIY champ.
  • Because knowledge is power, and in this case, it's the power to rock those heated mirrors.

So, buckle up, grab your tools, and let's get your F150 heated mirrors shining bright!

Another point of view about #EANF#.

Well, there you have it – the lowdown on the 2012 F150 heated mirror wiring diagram. Armed with this knowledge, you're not just fixing wires; you're elevating your driving experience. As you embark on this DIY journey, remember that every twist and turn in those wires is a step closer to cozy rides and enhanced safety.

So, what's next? Get hands-on, embrace the challenge, and let the 2012 F150 heated mirror wiring diagram be your guide. Picture this – chilly mornings, a click of a button, and warm mirrors ready to tackle whatever the weather throws at you. It's not just a wiring upgrade; it's an investment in comfort and safety. As you bring this diagram to life, pat yourself on the back – you're not just fixing wires; you're mastering the art of automotive enhancement. Happy wiring!

Conclusion : Rev Up Your Ride: Ultimate 2012 F150 Heated Mirror Wiring Guide!.

Q: Is upgrading to heated mirrors on my 2012 F150 worth it?

  • A: Absolutely! Heated mirrors aren't just a luxury; they're a game-changer in chilly weather. Imagine never having to scrape off ice or deal with fogged-up mirrors again. The comfort and safety boost are well worth the upgrade.

Q: Can I tackle the wiring diagram installation if I'm not a car expert?

  • A: Absolutely! The 2012 F150 heated mirror wiring diagram might look daunting at first, but fear not. We've broken it down into simple steps, and with a bit of patience and the right tools, even DIY novices can conquer this project. You got this!

Q: What tools do I need for the installation?

  • A: No need to go overboard with a fancy toolbox. Basic tools like wire strippers, crimping tools, and a screwdriver are your best friends here. Check out our list to make sure you're geared up for a successful installation.

Q: Are there common mistakes I should avoid during the wiring process?

  • A: You bet! We've highlighted some common blunders that DIY enthusiasts often encounter. Knowing what to avoid is half the battle, and we're here to make sure your heated mirror wiring project goes off without a hitch.

Q: Will upgraded heated mirrors really enhance my safety on the road?

  • A: Absolutely! Beyond the warmth on chilly mornings, heated mirrors significantly improve visibility. This upgrade is a win-win, providing both comfort and a safety boost, especially in adverse weather conditions.

Q: Any expert tips for a successful installation?

  • A: You bet! Our experts weigh in with valuable insights and pro tips to ensure your 2012 F150 heated mirror wiring diagram installation goes off without a hitch. Take note of these nuggets of wisdom for a smooth and rewarding DIY experience.

Question and answer Rev Up Your Ride: Ultimate 2012 F150 Heated Mirror Wiring Guide!

Questions & Answer :Heated Mirrors, Wiring Diagram, DIY Guide, F150 Upgrade, Safety Enhancement, Expert Tips

Keywords : #EANF#

0 komentar