Rev Up Your Ride: 2013 Chevy Cruze Cooling System Diagram Unveiled!

Rev Up Your Ride: 2013 Chevy Cruze Cooling System Diagram Unveiled!

  1. Introduction to the Cooling System
  2. Components Overview: Radiator and Hoses
  3. Coolant Pump Functionality
  4. Understanding the Thermostat's Role
  5. Heat Exchanger Demystified
  6. Exploring the Expansion Tank
  7. Fan Assembly and Its Importance
  8. Cooling System Sensors Decoded
  9. Common Issues and Troubleshooting
  10. Maintenance Tips for Optimal Performance

"Unlock optimal performance with our expert guide to the 2013 Chevy Cruze cooling system diagram. Gain insights for efficient maintenance and keep your ride running smoothly."

Top 10 important point for #EANF#

htmlCopy code

Understanding the Cooling System

Cooling System Diagram

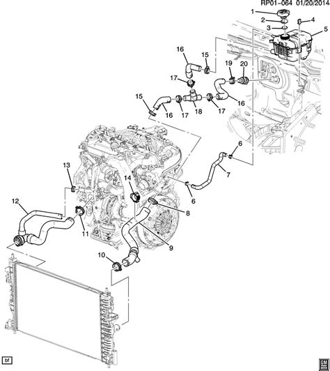
In this guide, we'll delve into the intricacies of the 2013 Chevy Cruze cooling system diagram, breaking down each component's role to give you a comprehensive understanding.

Exploring Key Components: Radiator and Hoses

Radiator and Hoses

Start by familiarizing yourself with the radiator and hoses, crucial elements in the cooling system. Learn how they work together to regulate the engine temperature efficiently.

Dive into Coolant Pump Functionality

Coolant Pump

Get a detailed look at the coolant pump and its role in circulating coolant through the system. Understanding its functionality is key to maintaining optimal engine temperature.

The Thermostat's Role Decoded

Thermostat

Explore how the thermostat plays a crucial role in regulating the coolant flow, ensuring the engine operates at the ideal temperature for performance and efficiency.

Heat Exchanger Demystified

Heat Exchanger

Uncover the mysteries behind the heat exchanger and its contribution to cooling the transmission fluid, enhancing overall engine performance.

Understanding the Expansion Tank

Expansion Tank

Learn about the expansion tank's role in managing coolant levels and pressure, crucial for preventing overheating and maintaining system integrity.

Fan Assembly and Its Importance

Fan Assembly

Delve into the significance of the fan assembly, understanding how it aids in dissipating heat and keeping the engine within the optimal temperature range.

Decoding Cooling System Sensors

Cooling System Sensors

Explore the various sensors within the cooling system, their functions, and how they contribute to maintaining precise control over the engine's temperature.

Common Issues and Troubleshooting Tips

Troubleshooting

Identify common cooling system issues and equip yourself with practical troubleshooting tips to address potential problems, ensuring your Chevy Cruze runs smoothly.

Maintenance Tips for Optimal Performance

Maintenance Tips

Wrap up with essential maintenance tips to keep your cooling system in top-notch condition, ensuring your 2013 Chevy Cruze performs at its best for miles to come.

Several Facts that you should know about #EANF#.
htmlCopy code

Welcome to our comprehensive guide on the intricacies of the 2013 Chevy Cruze cooling system diagram. Whether you're a DIY enthusiast or simply curious about your vehicle's inner workings, this detailed breakdown will guide you through understanding and maintaining the cooling system for optimal performance.

Understanding the Cooling System

Cooling System Diagram

To embark on this journey, let's begin by gaining a solid understanding of the cooling system's overall functionality. The cooling system in the 2013 Chevy Cruze is a crucial component responsible for managing the engine's temperature. This system ensures that the engine operates within the optimal temperature range, enhancing performance and longevity. Now, let's delve into the specific components that make up this intricate system.

Exploring Key Components: Radiator and Hoses

Radiator and Hoses

The radiator and hoses play pivotal roles in the cooling system's operation. The radiator acts as a heat exchanger, dissipating the heat generated by the engine. Coolant circulates through the engine, absorbs heat, and then flows into the radiator, where the heat is released. This continuous cycle is facilitated by a network of hoses that transport the coolant between the engine and the radiator, ensuring efficient cooling.

Dive into Coolant Pump Functionality

Coolant Pump

Central to the cooling system is the coolant pump, a vital component responsible for circulating coolant throughout the system. This pump ensures a steady flow of coolant, preventing the engine from overheating. By understanding the coolant pump's functionality, you can appreciate its role in maintaining the engine's temperature at an optimal level for peak performance.

The Thermostat's Role Decoded

Thermostat

Transitioning to the thermostat, we encounter another critical component in the cooling system. The thermostat regulates the flow of coolant based on the engine's temperature. When the engine is cold, the thermostat restricts coolant flow to allow the engine to warm up quickly. As the engine reaches the ideal temperature, the thermostat opens, enabling the continuous flow of coolant to maintain optimal operating conditions.

Heat Exchanger Demystified

Heat Exchanger

Now, let's demystify the heat exchanger, a component that plays a significant role in the cooling system's efficiency. The heat exchanger is designed to cool the transmission fluid, enhancing overall engine performance. Understanding how this element functions adds a layer of insight into the comprehensive cooling process within the 2013 Chevy Cruze.

Understanding the Expansion Tank

Expansion Tank

Transitioning to the expansion tank, we encounter a critical component that manages coolant levels and pressure. This tank allows for the expansion and contraction of coolant as it heats and cools during engine operation. A properly functioning expansion tank is essential for preventing overheating and maintaining the integrity of the entire cooling system.

Fan Assembly and Its Importance

Fan Assembly

Next on our journey through the cooling system is the fan assembly, a component designed to dissipate heat efficiently. The fan assists in regulating the engine's temperature by pulling air through the radiator, aiding in the cooling process. Understanding the importance of the fan assembly sheds light on its role in maintaining optimal operating conditions for the 2013 Chevy Cruze.

Decoding Cooling System Sensors

Cooling System Sensors

As we delve deeper, we encounter various sensors integrated into the cooling system, each serving a specific purpose. These sensors monitor temperature, pressure, and other critical parameters, providing real-time data to the engine control unit. Decoding the role of these sensors is essential for understanding how the system maintains precise control over the engine's temperature.

Common Issues and Troubleshooting Tips

Troubleshooting

Now, let's address common issues that may arise in the cooling system and equip you with practical troubleshooting tips. From leaks and coolant loss to thermostat malfunctions, understanding these potential problems allows you to take proactive measures to ensure the smooth operation of your 2013 Chevy Cruze.

Maintenance Tips for Optimal Performance

Maintenance Tips

Concluding our guide, we provide essential maintenance tips to keep your cooling system in top-notch condition. Regular maintenance is key to preventing issues and ensuring your 2013 Chevy Cruze continues to perform at its best. Follow these tips to extend the lifespan of your vehicle and enjoy a trouble-free driving experience.

By gaining a comprehensive understanding of the 2013 Chevy Cruze cooling system diagram and its components, you empower yourself to take proactive measures in maintaining your vehicle's performance. Use this guide as a valuable resource for troubleshooting, maintenance, and ensuring your Chevy Cruze runs smoothly for years to come.

htmlCopy code

1. The 2013 Chevy Cruze cooling system diagram serves as a roadmap to understand how the car keeps its engine cool during operation.

2. The radiator and hoses are like the engine's cooling superheroes, working together to release heat and keep things from getting too hot.

3. Imagine the coolant pump as the heart of this system, pumping coolant to ensure a constant flow and prevent the engine from overheating.

4. The thermostat acts like a smart regulator, controlling the coolant flow based on the engine's temperature, ensuring a perfect balance.

5. Ever wondered about the heat exchanger? It's the unsung hero cooling the transmission fluid, contributing to the overall efficiency of the engine.

6. The expansion tank plays a crucial role, managing coolant levels and pressure, preventing overheating and maintaining the system's integrity.

7. Picture the fan assembly as your engine's cooling breeze, pulling air through the radiator to keep everything running smoothly.

8. Sensors in the cooling system are like little guardians, monitoring temperature and pressure, providing real-time data for optimal engine control.

9. Knowing common issues, from leaks to thermostat troubles, gives you the upper hand in troubleshooting and keeping your Chevy Cruze in top shape.

10. Follow simple maintenance tips to ensure your cooling system stays in peak condition, allowing your 2013 Chevy Cruze to cruise without a hitch.

Another point of view about #EANF#.
htmlCopy code

As we conclude our exploration of the 2013 Chevy Cruze cooling system diagram, we hope this journey has been enlightening and informative. Understanding the intricacies of your vehicle's cooling system empowers you to take charge of its maintenance and ensures smooth rides for miles ahead.

In closing, whether you're a DIY enthusiast or someone seeking a deeper understanding of your vehicle, the 2013 Chevy Cruze cooling system diagram unveils the mechanical poetry behind keeping your engine cool. Regularly referring to this guide, coupled with proactive maintenance, will undoubtedly contribute to the longevity and optimal performance of your Chevy Cruze. Remember, a well-maintained cooling system not only keeps your engine at the right temperature but also ensures a reliable and enjoyable driving experience. Safe travels and happy cruising!

Conclusion : Rev Up Your Ride: 2013 Chevy Cruze Cooling System Diagram Unveiled!.htmlCopy code

People Also Ask About the 2013 Chevy Cruze Cooling System Diagram:

  • Q: What are the main components in the cooling system?
  • A: The main components include the radiator, hoses, coolant pump, thermostat, heat exchanger, expansion tank, fan assembly, and various sensors.

  • Q: How does the coolant pump work?
  • A: The coolant pump circulates coolant through the engine and radiator, preventing overheating by ensuring a constant flow of coolant.

  • Q: Why is the thermostat important?
  • A: The thermostat regulates coolant flow based on the engine's temperature, allowing for quick warm-ups and maintaining optimal operating conditions.

  • Q: What role does the expansion tank play?
  • A: The expansion tank manages coolant levels and pressure, preventing overheating and ensuring the overall integrity of the cooling system.

  • Q: How does the fan assembly contribute to cooling?
  • A: The fan assembly pulls air through the radiator, aiding in the cooling process and helping regulate the engine's temperature.

  • Q: Are there common issues with the cooling system?
  • A: Yes, common issues include leaks, thermostat malfunctions, and coolant loss. Regular maintenance can help prevent these issues.

  • Q: Any tips for maintaining the cooling system?
  • A: Regularly check for leaks, monitor coolant levels, and follow the manufacturer's maintenance schedule for optimal performance and longevity.

Question and answer Rev Up Your Ride: 2013 Chevy Cruze Cooling System Diagram Unveiled!

Questions & Answer :Chevy Cruze, Cooling System, Diagram, Maintenance Tips, Troubleshooting, Engine Performance

Keywords : #EANF#

0 komentar