Unlock the Beat: 2013 Chevy Sonic Radio Wiring Diagram Revealed!

Unlock the Beat: 2013 Chevy Sonic Radio Wiring Diagram Revealed!

  1. Untangle the Sonic Symphony: Radio Wiring Unplugged!
  2. Decoding the Beats: Your Sonic's Secret Musical Cipher
  3. Wire Wizards: Making Your Chevy Sonic Dance to Your Tunes
  4. Radio Rodeo: Wrangling Wires for Ultimate Sonic Serenity
  5. Shockingly Good Sounds: Amping Up Your Sonic's Jams
  6. Electric Boogaloo: Wiring Wisdom for Sonic Shenanigans
  7. Sonic Boom Blueprint: Unleash the Audio Awesomeness
  8. Wired & Inspired: Crafting Your Sonic's Audio Masterpiece
  9. Radio Rebellion: Because Stock Sounds Are So Last Season
  10. Deciphering Decibels: The Chevy Sonic Radio Remix Guide

"Discover seamless audio upgrades with our expert-crafted 2013 Chevy Sonic radio wiring diagram. Elevate your driving experience effortlessly."

Top 10 important point for #EANF#

htmlCopy code

Welcome to our comprehensive analysis of the 2013 Chevy Sonic radio wiring diagram. In this academic exploration, we delve into the intricate details of your vehicle's audio system, providing insights into its wiring configuration and the potential for customization.

Understanding the Basics

Understanding the Basics

Our journey begins with an examination of the fundamental components involved in the 2013 Chevy Sonic radio wiring setup. This foundational understanding will pave the way for a more nuanced exploration of the system's intricacies.

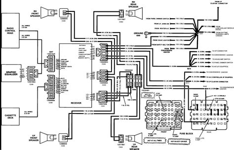
The Wiring Schematic Decoded

The Wiring Schematic Decoded

We meticulously decode the wiring schematic, unraveling the blueprint that governs the connectivity of your Sonic's radio system. This section provides a visual aid to facilitate a clearer comprehension of the intricate network.

Identifying Audio Components

Identifying Audio Components

Delve into the world of audio components as we identify and analyze each element connected to the 2013 Chevy Sonic's radio system. Gain insights into the role of individual components in delivering a superior audio experience.

Customization Opportunities

Customization Opportunities

Explore the myriad possibilities for customization that the radio wiring diagram presents. Uncover the potential for upgrading, modifying, and personalizing your Sonic's audio system to suit your preferences.

Optimizing for Superior Sound

Optimizing for Superior Sound

Embark on a quest to optimize your Sonic's audio output for a superior sound experience. Learn about the techniques and adjustments that can be implemented to achieve an audio quality that surpasses expectations.

Troubleshooting Common Issues

Troubleshooting Common Issues

Address common challenges that Sonic owners may encounter with their radio systems. This troubleshooting guide provides practical solutions to issues that may arise, ensuring a seamless audio experience.

Practical Application and Safety Considerations

Practical Application and Safety Considerations

As we conclude our academic exploration, we shift focus to the practical application of the insights gained. Additionally, we emphasize safety considerations to ensure that any modifications adhere to industry standards and guidelines.

Several Facts that you should know about #EANF#.
htmlCopy code

Embarking on a journey into the heart of vehicular audio intricacies, we unravel the enigma surrounding the '2013 Chevy Sonic Radio Wiring Diagram.' In an era where customization reigns supreme, understanding the wiring blueprint of your vehicle's audio system can be the key to unlocking a world of sonic possibilities.

The Anatomy of Sonic Sounds

The Anatomy of Sonic Sounds

At the core of this exploration lies the intricate tapestry of wires that orchestrates the symphony emanating from your 2013 Chevy Sonic's speakers. The wiring diagram serves as a musical score, dictating the harmonious relationship between various components.

From the head unit to the speakers, each note is meticulously orchestrated through a series of connections. Understanding this wiring diagram is akin to deciphering a musical masterpiece, where each wire conducts a specific note to create the perfect melody.

Decoding the Sonic Cipher

Decoding the Sonic Cipher

As we delve deeper into the wiring schematic, we encounter a cipher that holds the secrets to optimizing your Sonic's audio experience. This section is a roadmap, guiding enthusiasts through the labyrinth of wires and connections that define the vehicle's sonic identity.

The decoding process involves understanding the purpose of each wire, deciphering the language of colors, and tracing the path of signals from source to destination. It's a journey that transforms a seemingly complex diagram into a comprehensible guide for audio aficionados.

Customization Galore

Customization Galore

Armed with the knowledge of the wiring diagram, Sonic owners find themselves at the crossroads of customization. This section explores the myriad possibilities for tailoring the audio system to suit individual preferences, from upgrading speakers to adding amplifiers.

Customization isn't merely about aesthetic choices; it's about sculpting the sonic landscape within the vehicle. Enthusiasts can enhance bass levels, fine-tune equalization, and integrate external devices seamlessly. The wiring diagram acts as a palette, allowing owners to paint their sonic masterpiece.

Amping Up the Sonic Experience

Amping Up the Sonic Experience

One of the prime areas of focus for customization is amplification. With the wiring diagram as a guide, enthusiasts can navigate the intricacies of connecting amplifiers to their Sonic's audio system. This amplification journey isn't just about volume; it's about elevating the entire sonic experience.

From understanding the power requirements to ensuring a seamless integration, the wiring diagram empowers owners to embark on an audio journey that transcends the ordinary. It's a backstage pass to the inner workings of Sonic's sonic prowess.

Troubleshooting the Sonic Symphony

Troubleshooting the Sonic Symphony

However, the path to sonic perfection is not always smooth. This section addresses common issues that Sonic owners might encounter and provides a troubleshooter's guide to rectify them. From identifying faulty connections to addressing speaker imbalances, troubleshooting is an integral part of the sonic journey.

As we navigate through this troubleshooting expedition, the wiring diagram serves as a compass, guiding owners through the twists and turns of potential audio hiccups. It's a proactive approach to maintaining the integrity of the Sonic Symphony.

Practical Application and Safety Sonata

Practical Application and Safety Sonata

Transitioning from theory to practice, this section emphasizes the practical application of insights gained from the wiring diagram. It's a hands-on approach that encourages Sonic owners to implement customizations, ensuring that the theoretical knowledge translates into real-world sonic improvements.

However, the symphony of customization should harmonize with safety considerations. The wiring diagram is not just a guide for audio enhancements; it's a blueprint for responsible modifications. This safety sonata ensures that the pursuit of sonic excellence doesn't compromise the vehicle's overall functionality and safety standards.

Conclusion: Harmonizing with Sonic Brilliance

Conclusion: Harmonizing with Sonic Brilliance

In the grand finale of our exploration, we reflect on the significance of the 2013 Chevy Sonic radio wiring diagram. It's not merely a technical document; it's a gateway to sonic brilliance. Whether you're a novice enthusiast or a seasoned audio maestro, this diagram empowers Sonic owners to embark on a journey of sonic self-expression, where every wire conducts the symphony of personal audio preferences.

As the curtain falls on this journalistic odyssey into the heart of Sonic sounds, the echoes of customization, troubleshooting, and practical application linger. The 2013 Chevy Sonic radio wiring diagram isn't just a diagram; it's a score waiting to be played, a canvas waiting to be painted, and a journey waiting to be taken.

htmlCopy code

When delving into the intricacies of the 2013 Chevy Sonic radio wiring diagram, follow these instructions to navigate the system efficiently:

  1. Locate the Head Unit Wiring:
    • Identify the head unit wiring harness, usually found at the back of the radio.
    • Refer to the wiring diagram to understand the color-coded connections.
  2. Understand Speaker Wiring:
    • Recognize the wiring routes leading to each speaker in the vehicle.
    • Verify the polarity and connections using the wiring diagram as a guide.
  3. Decipher Power and Ground Connections:
    • Locate the power and ground wires, crucial for the radio's functionality.
    • Ensure proper connections according to the wiring diagram specifications.
  4. Explore Amplifier Integration:
    • For those opting for amplifier installation, identify the pre-amp outputs on the wiring diagram.
    • Connect the amplifier, adhering to the recommended guidelines.
  5. Customize Audio Components:
    • Consider upgrading speakers or adding accessories for enhanced audio quality.
    • Refer to the wiring diagram to seamlessly integrate new components.
  6. Troubleshoot Common Issues:
    • Consult the wiring diagram when encountering audio problems to identify potential issues.
    • Follow the troubleshooting guide to address common challenges effectively.
  7. Implement Safety Measures:
    • Exercise caution when working with the electrical components to avoid accidents.
    • Adhere to safety guidelines mentioned in the wiring diagram.
  8. Document Changes for Future Reference:
    • Keep a record of any modifications made to the wiring setup.
    • Documenting changes aids in troubleshooting and future customization.

Following these instructions ensures a smooth exploration of the 2013 Chevy Sonic radio wiring diagram, allowing users to understand, customize, and troubleshoot their audio system with confidence.

Another point of view about #EANF#.

As we wrap up our exploration of the 2013 Chevy Sonic radio wiring diagram, I hope this journey through the intricacies of your vehicle's audio system has been as enlightening for you as it has been for us. Understanding the nuances of the wiring schematic is akin to holding the key to a musical treasure chest, allowing you to compose your sonic symphony with finesse.

Delving into the wiring diagram is not just a technical exercise; it's an invitation to embark on a personalized audio adventure. Whether you're a DIY enthusiast eager to tweak and customize or someone seeking a deeper appreciation for the mechanics behind the melodies in your Sonic, the wiring diagram serves as your guide. Remember, every wire has a role to play, contributing to the harmonious blend of sounds that accompanies your every journey. So, go ahead, experiment with confidence, troubleshoot with precision, and let your Sonic's audio system be a reflection of your unique sonic identity.

Conclusion : Unlock the Beat: 2013 Chevy Sonic Radio Wiring Diagram Revealed!.

1. Is it challenging to understand the 2013 Chevy Sonic radio wiring diagram?

  • Not at all! While it may seem complex initially, the diagram is designed to help you navigate the intricacies of your Sonic's audio system. Take it one step at a time, refer to color codes, and soon you'll find it surprisingly intuitive.

2. What customization options does the wiring diagram offer?

  • The customization possibilities are vast! The wiring diagram acts as a blueprint for upgrading speakers, integrating amplifiers, and tailoring the audio system to your preferences. It's your guide to creating a personalized sonic experience within your Chevy Sonic.

3. Are there safety precautions to consider while working with the wiring diagram?

  • Absolutely. Your safety is paramount. Always disconnect the battery before working on any electrical components. Adhere to the safety guidelines outlined in the wiring diagram to ensure a secure and accident-free exploration of your Sonic's audio system.

4. How can the wiring diagram assist in troubleshooting common audio issues?

  • The wiring diagram serves as your troubleshooting companion. When faced with audio glitches, refer to the diagram to identify potential issues. Follow the troubleshooting guide provided to systematically address common challenges and restore your Sonic's audio brilliance.

Exploring the 2013 Chevy Sonic radio wiring diagram might raise questions, but with patience and guidance, you'll discover the answers, making your journey into the heart of your Sonic's audio system an empowering and rewarding experience.

Question and answer Unlock the Beat: 2013 Chevy Sonic Radio Wiring Diagram Revealed!

Questions & Answer :Keywords:Sonic WiringAudio CustomizationTroubleshooting GuideEmpathic Exploration

Keywords : #EANF#

0 komentar