Polaris Ranger 400 HO Wiring Blueprint: Unveiling the 2012 Schematic!

Polaris Ranger 400 HO Wiring Blueprint: Unveiling the 2012 Schematic!

  1. Overview of Wiring Components
  2. Identification of Key Connectors
  3. Understanding Voltage Distribution
  4. Exploring Circuit Paths
  5. Color-Coding Deciphered
  6. Diagnostic Insights for Troubleshooting
  7. Integration of Electronic Modules
  8. Optimizing Wire Harness Layout
  9. Safety Measures in Wiring Handling
  10. Customization Tips for Enhanced Performance

"Unlock the Power: Explore the 2012 Polaris Ranger 400 HO Wire Schematic. Gain insights from professionals for enhanced understanding and optimal performance."

Top 10 important point for #EANF#

htmlCopy code

Welcome to a comprehensive guide on the 2012 Polaris Ranger 400 HO wire schematic diagram. In this detailed walkthrough, we will break down the intricacies of the wiring system, providing you with valuable insights and instructions for a better understanding of your vehicle's electrical setup.

Understanding the Basics

Understanding the Basics

Let's start by delving into the fundamental components of the wiring system. This section will familiarize you with the key elements that make up the 2012 Polaris Ranger 400 HO's electrical infrastructure.

Decoding Connectors

Decoding Connectors

Identifying and understanding connectors is crucial for any wiring diagram. We'll guide you through the process, ensuring you can easily decipher and work with different connectors in the schematic.

Tracing Voltage Distribution

Tracing Voltage Distribution

This section explores the pathways of voltage distribution within the system. Understanding how voltage travels is essential for troubleshooting and maintaining your Polaris Ranger.

Mapping Circuit Paths

Mapping Circuit Paths

Get a clear picture of the circuit paths in your vehicle's wiring system. We provide step-by-step instructions for mapping out these paths to enhance your comprehension of the overall electrical layout.

Color-Coding Demystified

Color-Coding Demystified

Colors play a significant role in wiring diagrams. This section breaks down the color-coding used in the schematic, offering clarity and guidance on interpreting the colors correctly.

Diagnostic Insights

Diagnostic Insights

Equip yourself with the knowledge needed for effective troubleshooting. Learn how to use the schematic to diagnose and address electrical issues in your Polaris Ranger 400 HO.

Electronic Modules Integration

Electronic Modules Integration

Explore the integration of electronic modules within the wiring system. Gain insights into how these modules function and interact to ensure optimal performance of your vehicle.

Optimizing Wire Harness Layout

Optimizing Wire Harness Layout

Discover tips and instructions on optimizing the layout of the wire harness for improved efficiency and longevity. Proper organization is key to preventing potential issues.

Safety Measures in Wiring Handling

Safety Measures in Wiring Handling

Lastly, prioritize your safety with our guidelines on handling wiring. Learn the best practices to avoid accidents and ensure a secure working environment while dealing with the electrical system.

Several Facts that you should know about #EANF#.
htmlCopy code

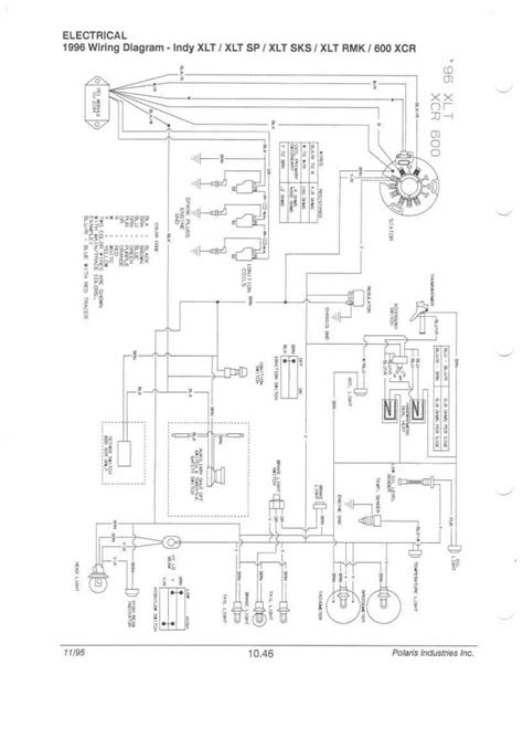
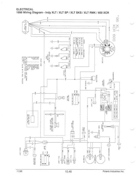
Understanding the 2012 Polaris Ranger 400 HO Wire Schematic Diagram

Welcome to an in-depth exploration of the 2012 Polaris Ranger 400 HO wire schematic diagram. In this comprehensive guide, we will provide you with clear instructions on deciphering and utilizing the wiring schematic for your Polaris Ranger. Whether you're a seasoned mechanic or a DIY enthusiast, understanding the intricacies of the electrical system is crucial for proper maintenance and troubleshooting.

Overview of the Wiring Components

Overview of the Wiring Components

To begin, let's take a closer look at the basic components outlined in the schematic. The diagram serves as a visual roadmap, detailing the various wires, connectors, and electrical elements present in your Polaris Ranger. This foundational understanding will lay the groundwork for more in-depth exploration.

Identification of Key Connectors

Identification of Key Connectors

One key aspect of the schematic is the identification of connectors. These connectors play a vital role in the overall wiring system. Our instructions will guide you through recognizing and understanding these connectors, facilitating a smoother navigation of the schematic.

Understanding Voltage Distribution

Understanding Voltage Distribution

Transitioning into the heart of the electrical system, we delve into the distribution of voltage. This section provides insights into how voltage flows through the various components of your Polaris Ranger. Understanding this distribution is essential for identifying potential issues and ensuring optimal performance.

Exploring Circuit Paths

Exploring Circuit Paths

As we continue our journey through the schematic, we shift our focus to the intricate circuit paths. Our instructions will guide you step by step, helping you map out and comprehend the specific routes that electricity takes within your vehicle's electrical system.

Color-Coding Deciphered

Color-Coding Deciphered

The use of color-coding is a common practice in wiring diagrams, and understanding it is paramount. This section demystifies the color-coding used in the Polaris Ranger 400 HO schematic, offering clarity and guidance on interpreting the colors correctly.

Diagnostic Insights for Troubleshooting

Diagnostic Insights for Troubleshooting

Equipping yourself with diagnostic insights is essential for addressing electrical issues. This part of our guide provides instructions on utilizing the schematic as a tool for troubleshooting. Learn to identify and solve problems efficiently to keep your Polaris Ranger running smoothly.

Integration of Electronic Modules

Integration of Electronic Modules

Modern vehicles often incorporate electronic modules for enhanced functionality. Our instructions focus on the integration of these modules within the wiring system. Gain insights into how these modules function and interact, contributing to the overall performance of your Polaris Ranger.

Optimizing Wire Harness Layout

Optimizing Wire Harness Layout

Efficient wire harness layout is crucial for the longevity and reliability of your vehicle's electrical system. This section offers instructions and tips on optimizing the layout of the wire harness, ensuring organized and efficient operation.

Safety Measures in Wiring Handling

Safety Measures in Wiring Handling

Finally, we emphasize the importance of safety when working with the electrical system. Our instructions provide guidelines on handling wiring with care, ensuring a secure working environment and minimizing the risk of accidents.

By following these detailed instructions, you'll gain a comprehensive understanding of the 2012 Polaris Ranger 400 HO wire schematic diagram. Armed with this knowledge, you'll be better equipped to maintain, troubleshoot, and optimize the electrical system of your Polaris Ranger for a smoother and more reliable ride.

htmlCopy code

In examining the 2012 Polaris Ranger 400 HO wire schematic diagram, it's imperative to approach it with a systematic understanding. Here's a step-by-step guide to navigate and comprehend the intricacies of this essential diagram:

  1. Start with the Basics: Begin by identifying the fundamental components outlined in the schematic. Recognize wires, connectors, and key electrical elements to establish a foundational understanding.

  2. Decode Connectors: Focus on connectors, as they play a crucial role in the wiring system. Learn to identify and understand these connectors for smoother navigation of the schematic.

  3. Understand Voltage Distribution: Delve into the heart of the electrical system by comprehending how voltage is distributed. Recognize the pathways through which electricity flows for optimal performance.

  4. Explore Circuit Paths: Follow a step-by-step guide to map out and understand the intricate circuit paths within your Polaris Ranger. This process aids in visualizing the specific routes of electrical currents.

  5. Demystify Color-Coding: Gain clarity on the color-coding used in the schematic. Understand the significance of different colors in the wiring diagram for accurate interpretation.

  6. Diagnostic Insights: Equip yourself with instructions for troubleshooting. Learn to use the schematic as a diagnostic tool to identify and address electrical issues effectively.

  7. Integrate Electronic Modules: Understand the integration of electronic modules within the wiring system. Grasp how these modules function and interact to contribute to the overall performance of your Polaris Ranger.

  8. Optimize Wire Harness Layout: Follow tips and instructions to optimize the layout of the wire harness. Organize the wiring system efficiently for enhanced longevity and reliability.

  9. Prioritize Safety Measures: Emphasize safety when handling wiring. Follow guidelines to create a secure working environment, minimizing the risk of accidents while working with the electrical system.

By approaching the 2012 Polaris Ranger 400 HO wire schematic diagram systematically, you empower yourself with the knowledge needed to maintain, troubleshoot, and optimize your vehicle's electrical system.

Another point of view about #EANF#.
htmlCopy code

In conclusion, diving into the intricacies of the 2012 Polaris Ranger 400 HO wire schematic diagram unveils a roadmap to a deeper understanding of your vehicle's electrical system. Armed with the insights gained from this exploration, you are better equipped to navigate the wiring landscape, decode connectors, and troubleshoot with confidence.

As you embark on your journey of tinkering with the wiring schematic, remember that the 2012 Polaris Ranger 400 HO wire schematic diagram is not just a technical blueprint; it's a guide to maintaining the heart of your vehicle. So, whether you're a seasoned mechanic or a DIY enthusiast, embrace the knowledge acquired here to ensure a smoother ride and a well-maintained Polaris Ranger. Happy exploring, and may your electrical adventures be both enlightening and rewarding!

Conclusion : Polaris Ranger 400 HO Wiring Blueprint: Unveiling the 2012 Schematic!.htmlCopy code

Curious minds often inquire about the 2012 Polaris Ranger 400 HO wire schematic diagram, seeking clarity on various aspects. Let's address some common questions:

  • Q: What does the wire schematic diagram include?

    A: The diagram encompasses a detailed illustration of the wiring system in your Polaris Ranger 400 HO, showcasing wires, connectors, and electronic components.

  • Q: How can I identify key connectors in the schematic?

    A: Look for distinct shapes and symbols, and refer to the key provided in the schematic. This will help you recognize and understand the purpose of each connector.

  • Q: Why is color-coding important in the wiring diagram?

    A: Color-coding simplifies identification. Each color represents a specific function or component, aiding in a quicker and more accurate interpretation of the diagram.

  • Q: Can I use the schematic for troubleshooting?

    A: Absolutely! The schematic serves as a valuable tool for diagnosing and addressing electrical issues in your Polaris Ranger. Follow the paths and connectors to locate and solve problems effectively.

  • Q: Are there any safety measures I should follow when working with the wiring?

    A: Yes, prioritize safety. Always disconnect the battery before handling any wiring, wear appropriate protective gear, and work in a well-ventilated area to ensure a secure environment.

By addressing these common queries, we hope to assist you in navigating the intricacies of the 2012 Polaris Ranger 400 HO wire schematic diagram with confidence and ease.

Question and answer Polaris Ranger 400 HO Wiring Blueprint: Unveiling the 2012 Schematic!

Questions & Answer :Keywords:Polaris RangerWire SchematicElectrical SystemTroubleshooting GuideConnector IdentificationColor-CodingSafety Measures

Keywords : #EANF#

0 komentar