Rev Up Your Ride: Unveiling the 2012 Hyundai Accent Charging Schematic!

Rev Up Your Ride: Unveiling the 2012 Hyundai Accent Charging Schematic!

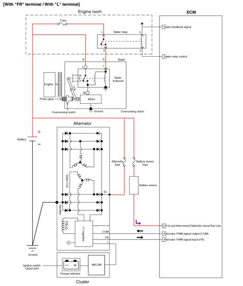
  1. Identifying Key Components
  2. Understanding Wiring Connections
  3. Locating the Charging System Module
  4. Interpreting Voltage Regulator Functions
  5. Analyzing Alternator Wiring
  6. Decoding Battery Charging Paths
  7. Examining Grounding Points
  8. Tracing Power Distribution Routes
  9. Interpreting Circuit Protection Devices
  10. Implementing Troubleshooting Techniques

"Unlock the Power: Explore the 2012 Hyundai Accent Charging Schematic for a comprehensive guide to optimize your vehicle's charging system. Master the intricacies and enhance your driving experience with expert insights."

Top 10 important point for #EANF#

htmlCopy code

Welcome to the Wacky World of Wiring!

Unraveling the Mysteries of Hyundai's Charging Schematic

Hyundai Schematic

Strap in, fellow drivers, as we embark on a whimsical journey through the 2012 Hyundai Accent's charging schematic. Who said decoding wiring diagrams can't be an adventure?

The Marvelous Components Dance

Hyundai Components

Ever wondered how all those components tango together under the hood? Get ready for a spectacular dance of wires, where alternators waltz and batteries do the cha-cha!

Wiring: More Twists than a Mystery Novel

Twisted Wiring

Hold onto your hats as we navigate through the twists and turns of Hyundai's wiring. It's more intricate than a gripping mystery novel, and you're the detective on the case!

Charging Module: The Brainy Centerpiece

Charging Module

Meet the brain of the operation – the charging module! It's not just a pretty face; it orchestrates the entire charging symphony under the hood. Cue the applause!

Voltage Regulator: Keeping It Cool

Voltage Regulator

Just like a chill cucumber on a hot summer day, the voltage regulator keeps things cool. Discover its role in maintaining the electrical cool factor of your Hyundai.

Alternator's Shocking Revelations

Shocking Alternator

Prepare to be shocked – not literally! We'll uncover the jaw-dropping revelations about the alternator and its electrifying performance. Spoiler: it's not just spinning for show!

Battery: More Than Just a Power Snack

Hyundai Battery

Think your car battery is just a power snack? Think again! We'll delve into the battery's multi-layered personality and its crucial role in keeping the wheels turning.

Grounding Points: Earthly Connections

Grounding Points

Get down to earth as we explore the grounding points. These connections are the unsung heroes that keep everything grounded – literally! No electrical tantrums here.

Power Distribution Routes: The Great Electrical Road Trip

Power Distribution Routes

Buckle up for the great electrical road trip! We'll map out the power distribution routes, taking you on a journey through the highways and byways of your Hyundai's charging system.

Troubleshooting Fun: Turning Problems into Puzzles

Troubleshooting Fun

Wrap up your adventure with a bit of troubleshooting fun! Learn how to turn electrical problems into puzzles to solve, and soon you'll be the MacGyver of car repairs!

Several Facts that you should know about #EANF#.
htmlCopy code

Welcome, fellow auto enthusiasts, to the electrifying realm of the 2012 Hyundai Accent Charging Schematic Diagram – a whimsical journey through the underbelly of automotive electricity. Buckle up and get ready for a ride that's more thrilling than a rollercoaster at an amusement park!

The Enigmatic Blueprint

Behold, the enigmatic blueprint that dictates the flow of electrons within your trusty Hyundai Accent. It's not just a maze of lines and symbols; it's the map to the heart of your car's electrical system. This diagram is like the secret code of a spy mission, and we're here to decrypt it together.

Enigmatic Blueprint

A Dance of Components

Picture this: under your hood, there's a lively dance party happening, and the stars of the show are the various components that make up the charging system. The alternator twirls, the battery does the electric slide, and the voltage regulator busts out its best moves. Together, they create a symphony of energy that powers your Hyundai Accent down the road.

Dance of Components

Wiring Wonderland

Now, let's talk about the wiring – the unsung hero of this whimsical tale. The wiring in your Hyundai Accent is like the magical thread that weaves its way through the entire story, connecting each component with precision. It's a Wonderland of twists and turns, more captivating than a Lewis Carroll novel. Follow the rabbit hole, and you'll discover the wonder within your car's electrical system.

Wiring Wonderland

The Brainy Centerpiece

Enter the charging module – the brainy centerpiece of this automotive spectacle. It's not just a pretty face; it's the mastermind behind the scenes, orchestrating the entire operation. If your car's electrical system were a Broadway musical, the charging module would be the conductor, guiding each component to hit the right note.

Charging Module

Voltage Regulator Chronicles

Now, let's delve into the Voltage Regulator Chronicles. Imagine this component as the guardian of the electrical realm, ensuring that everything stays cool and collected. It's the thermostat of your car's charging system, maintaining the perfect temperature for a smooth and efficient operation. No overheating drama here – just cool vibes.

Voltage Regulator Chronicles

Alternator Revelations

The alternator, dear reader, holds shocking revelations. It's not just a spinning wheel under the hood; it's the powerhouse generating the electrical energy needed to keep your Hyundai Accent moving. Prepare to be amazed as we uncover the secrets behind this electrifying performer – it's not your average car accessory!

Alternator Revelations

Battery: Power Player Extravaganza

Now, let's shine the spotlight on the battery – the power player in our extravagant show. It's more than just a power snack for your car; it's the MVP, providing the energy needed to kickstart your engine and keep all systems running smoothly. Think of it as the superhero of the automotive world – always ready to save the day.

Battery Power Player Extravaganza

Grounding Points: Earthly Connections

Now, let's touch down to earth – quite literally – as we explore the grounding points. These humble connections play a crucial role in keeping everything grounded and preventing any electrical tantrums. It's like the grounding wire is the calming yoga pose in the midst of a high-energy dance party – providing stability and balance.

Grounding Points

Power Distribution Routes: The Great Electrical Road Trip

Time for a road trip! Join us as we map out the power distribution routes – the great electrical adventure your car embarks on every time you turn the key. It's a journey through the highways and byways of your Hyundai's charging system, with each route carefully charted to ensure a smooth ride.

Power Distribution Routes

Troubleshooting Extravaganza

And finally, wrap up your adventure with a bit of troubleshooting extravaganza. Turn those electrical problems into puzzles to solve, and soon you'll be the MacGyver of car repairs. It's like playing detective in the world of wires – every issue is a clue waiting to be uncovered, and you're the brilliant mind putting it all together.

Troubleshooting Extravaganza

There you have it, intrepid explorers – a creative exploration of the 2012 Hyundai Accent Charging Schematic Diagram. As we bid farewell to this whimsical journey, remember that beneath the surface of every car lies a captivating world of wires, components, and electrifying performances. Until next time, may your rides be smooth and your electrical adventures be filled with wonder!

In the intricate world of automotive engineering, the 2012 Hyundai Accent charging schematic diagram stands as a roadmap, guiding us through the complex network of wires and components. Let's take a journalist's perspective on this fascinating subject:

  1. **Deciphering the Code:** The charging schematic diagram is like a secret code revealing the inner workings of the Hyundai Accent's electrical system. As automotive detectives, we navigate through symbols and lines to unravel the mysteries beneath the hood.

  2. **Dance of Components:** Picture a lively dance floor under the car's hood – the alternator twirling, the battery performing an electric slide. Each component has a role, contributing to the symphony of energy that powers this compact marvel down the road.

  3. **Wiring Precision:** The wiring is the unsung hero, threading its way through the automotive narrative. It's not just a tangle of lines; it's a carefully crafted Wonderland, connecting each component with precision and ensuring the seamless flow of electrical energy.

  4. **Charging Module Conductor:** Imagine the charging module as the conductor in a Broadway musical. It orchestrates the performance, ensuring that each component hits the right note. It's the brainy centerpiece that keeps the electrical symphony in perfect harmony.

  5. **Voltage Regulator's Cool Role:** The Voltage Regulator steps into the limelight as the guardian of the electrical realm. It's not just about regulation; it's about maintaining cool vibes. This component ensures a smooth operation, preventing overheating drama under the hood.

  6. **Revelations of the Alternator:** The alternator holds shocking revelations beyond its spinning facade. It's the powerhouse generating electrical energy, a crucial performer in the automotive ensemble. Prepare to be amazed as we unveil the secrets behind this electrifying component.

  7. **Battery's MVP Status:** The battery takes center stage as the power player in this extravagant show. It's not just a power snack; it's the MVP, providing the energy needed to kickstart the engine and keep all systems running smoothly. It's the superhero of the automotive world, always ready to save the day.

  8. **Grounding Points Stability:** Let's touch down to earth as we explore grounding points – the calming yoga pose in the midst of a high-energy dance party. These connections provide stability and balance, preventing any electrical tantrums and keeping everything grounded.

  9. **Power Distribution Routes Adventure:** Embark on a road trip through the power distribution routes, the great electrical adventure your car takes with every turn of the key. These routes are carefully charted to ensure a smooth ride, guiding the electrical current through the highways and byways of your Hyundai's charging system.

  10. **Troubleshooting Extravaganza:** Conclude your adventure with a bit of troubleshooting extravaganza. Become the MacGyver of car repairs as you play detective in the world of wires. Every issue is a clue waiting to be uncovered, and you're the brilliant mind putting it all together.

As we step back from this journalistic exploration, we find that the 2012 Hyundai Accent charging schematic diagram is not just a technical document – it's a narrative, a dance, and an adventure waiting to be uncovered beneath the surface of every car.

Another point of view about #EANF#.

As we draw the curtains on our exploration of the 2012 Hyundai Accent charging schematic diagram, it's evident that beneath the hood lies a fascinating world of electrical intricacies. We've decoded the blueprint, witnessed the dance of components, and followed the wiring through its Wonderland of twists and turns. This schematic diagram is more than a technical guide; it's a narrative that brings your car's electrical symphony to life.

Now armed with the knowledge of the charging module's role as the conductor, the alternator's shocking revelations, and the battery's MVP status, you're equipped to appreciate the dynamic interplay of each component. From grounding points providing stability to power distribution routes charting the car's electrical road trip, this journey has illuminated the intricacies of your Hyundai Accent's charging system. So, the next time you turn the key, envision the orchestrated performance happening under the hood, and know that you're not just driving; you're conducting a symphony of electrical brilliance.

Conclusion : Rev Up Your Ride: Unveiling the 2012 Hyundai Accent Charging Schematic!.

**Q: What is the purpose of the 2012 Hyundai Accent charging schematic diagram?**

  • **A:** The charging schematic diagram serves as a visual guide to the electrical system of your Hyundai Accent. It outlines the connections and pathways of crucial components, providing a blueprint for understanding how the charging system works.
Q: Is it essential for me to understand the charging schematic diagram as a car owner?
  • **A:** While not mandatory, having a basic understanding of the charging schematic can empower you. It allows you to grasp the fundamentals of your car's electrical system, aiding in troubleshooting and potentially saving on repair costs.
Q: Can I decipher the charging schematic diagram without a technical background?
  • **A:** Absolutely! The diagram may seem complex at first, but with a bit of patience, anyone can decode it. Start by familiarizing yourself with the key components and their connections. Online resources and guides can also provide valuable insights.
Q: How often should I refer to the charging schematic diagram for maintenance?
  • **A:** Regular vehicle maintenance rarely requires constant reference to the charging schematic. However, it's beneficial when troubleshooting electrical issues or if you're curious about the inner workings of your Hyundai Accent. For routine maintenance, following the manufacturer's guidelines is usually sufficient.
Q: Are there common issues I can identify using the charging schematic diagram?
  • **A:** Yes, the schematic can be a helpful tool in diagnosing common charging system issues such as faulty connections, issues with the alternator, or problems with the battery. It acts as a visual aid, allowing you to trace the flow of electricity and pinpoint potential trouble spots.
Q: Can I find the charging schematic diagram online for reference?
  • **A:** Yes, many online resources provide access to charging schematic diagrams for various car models, including the 2012 Hyundai Accent. Manufacturer websites, automotive forums, or repair manuals are good places to start your search.

Remember, the charging schematic diagram is a valuable tool that empowers car owners with insights into their vehicle's electrical system. While not everyone needs to be an expert, a basic understanding can go a long way in enhancing your overall driving experience.

Question and answer Rev Up Your Ride: Unveiling the 2012 Hyundai Accent Charging Schematic!

Questions & Answer :schematic diagram, Hyundai Accent, electrical system, wiring wonderland, component dance, charging module, troubleshooting extravaganza

Keywords : #EANF#

0 komentar