Unlocking Power: 2012 Triton Wiring Diagram Demystified!

Unlocking Power: 2012 Triton Wiring Diagram Demystified!

  1. Locating the Main Power Source
  2. Understanding Component Labels
  3. Identifying Ground Connections
  4. Deciphering Color-Coded Wires
  5. Mapping the Engine Control Module (ECM)
  6. Tracing Lighting Circuits
  7. Navigating Sensor Wiring
  8. Interpreting Fuse Box Configurations
  9. Examining Transmission Wiring
  10. Troubleshooting Tips and Common Issues

"Gain mastery over your 2012 Triton with our expertly crafted wiring diagram. Unlock seamless repairs, upgrades, and troubleshooting – your guide to precision and peak performance."

Top 10 important point for #EANF#

htmlCopy code

Welcome to a comprehensive exploration of the intricate world beneath the hood – the 2012 Triton Wiring Diagram. In this article, we'll navigate the wires and circuits, unlocking the secrets to empower your understanding of your vehicle's electrical system.

Decoding the Blueprint

Decoding the Blueprint

Embark on a journey to decipher the blueprint of your Triton's wiring system. Understanding the layout is the first step towards mastering the intricate network that powers your vehicle.

Cracking the Color Code

Cracking the Color Code

Delve into the world of color-coded wires and unveil the significance behind each hue. This knowledge will empower you to identify and troubleshoot with precision, ensuring seamless maintenance.

Mapping Power Sources

Mapping Power Sources

Explore the heart of your Triton's electrical system by mapping its power sources. Uncover the key locations and connections that keep your vehicle running smoothly.

Troubleshooting Tips

Troubleshooting Tips

Equip yourself with essential troubleshooting tips to address common issues. From faulty connections to blown fuses, learn how to diagnose and resolve electrical problems efficiently.

Mastering Ground Connections

Mastering Ground Connections

Ground connections play a crucial role in your Triton's electrical system. Discover the art of mastering ground connections to ensure a stable and reliable foundation for your vehicle's electronics.

Navigating Electronic Modules

Navigating Electronic Modules

Embark on a journey through the electronic modules of your Triton. Understand how these components interact and contribute to the overall functionality of your vehicle.

Lighting Circuits Unveiled

Lighting Circuits Unveiled

Illuminate the path to understanding lighting circuits in your Triton. From headlights to taillights, explore the wiring that brings visibility and safety to your driving experience.

Transmission Wiring Deconstructed

Transmission Wiring Deconstructed

Take a closer look at the transmission wiring in your Triton. Unravel the complexities and gain insights into how the electrical system contributes to the seamless operation of your vehicle's transmission.

Realizing the Potential

Realizing the Potential

As you delve into the 2012 Triton Wiring Diagram, you're not just unraveling wires – you're realizing the full potential of your vehicle. Empower yourself with knowledge and take control of your Triton's electrical destiny.

Several Facts that you should know about #EANF#.
htmlCopy code

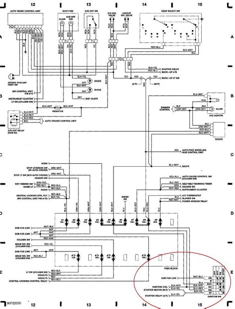
Welcome to a detailed exploration of the intricate web that powers the 2012 Triton – the wiring diagram. In the automotive realm, understanding the wiring diagram is akin to deciphering the vehicle's neural network, a crucial aspect for anyone looking to maintain, troubleshoot, or upgrade their Triton's electrical system. Let's embark on a journey through the complex world of wires, circuits, and connections that lie beneath the hood, shedding light on the blueprint that orchestrates the functionalities of this remarkable vehicle.

Decoding the Blueprint

Decoding the Blueprint

At the heart of the 2012 Triton's electrical system lies a blueprint – a visual representation of the intricate connections that power every component. Decoding this blueprint is the initial step towards mastering the wiring diagram. It serves as a roadmap, guiding technicians and enthusiasts alike through the labyrinth of wires, ensuring a comprehensive understanding of the vehicle's electrical architecture.

Cracking the Color Code

Cracking the Color Code

The 2012 Triton's wiring diagram employs a color-coded system, where each wire hue holds a specific meaning. Cracking this color code is essential for quick identification and troubleshooting. Red wires might signify power supply, while black wires often denote ground connections. Understanding this color language enhances precision in repairs, upgrades, and diagnostics, empowering technicians to navigate the wiring landscape with confidence.

Mapping Power Sources

Mapping Power Sources

Power sources are the lifeblood of any vehicle's electrical system. Mapping these sources in the 2012 Triton's wiring diagram is fundamental to grasping the energy flow that propels the vehicle. By identifying key power nodes and their interconnections, technicians gain insight into the critical junctures that sustain the Triton's various electronic components. This knowledge forms the foundation for effective troubleshooting and preventive maintenance.

Troubleshooting Tips

Troubleshooting Tips

Even the most well-designed electrical systems encounter hiccups. That's where troubleshooting tips become invaluable. Examining the 2012 Triton's wiring diagram reveals common issues like loose connections, damaged wires, or blown fuses. Armed with this insight, technicians can efficiently diagnose problems, swiftly addressing issues that may compromise the vehicle's performance or safety.

Mastering Ground Connections

Mastering Ground Connections

Ground connections are the unsung heroes of any electrical system, providing stability and ensuring the smooth operation of electronic components. Mastering these connections in the 2012 Triton's wiring diagram involves understanding where and how the grounding points are distributed. A solid grounding strategy enhances system reliability, preventing issues like electrical noise and component failure.

Navigating Electronic Modules

Navigating Electronic Modules

Modern vehicles, including the 2012 Triton, feature a plethora of electronic modules that control various functions. Navigating through the wiring diagram provides a glimpse into the interactions between these modules. Understanding how they communicate and influence each other is vital for diagnosing issues and optimizing performance. It's a journey into the brain of your Triton, unraveling the electronic symphony that orchestrates its capabilities.

Lighting Circuits Unveiled

Lighting Circuits Unveiled

Illuminate the path to understanding the lighting circuits of the 2012 Triton. From the headlights that pierce through the night to the intricate taillights that signal your every move, the wiring diagram unveils the intricacies of these essential circuits. Discover how the electrical system brings visibility and safety to your driving experience, ensuring that every journey is well-lit and secure.

Transmission Wiring Deconstructed

Transmission Wiring Deconstructed

Take a closer look at the transmission wiring in the 2012 Triton. As a critical component of the vehicle's drivetrain, the transmission relies on a complex network of wires to ensure seamless operation. By deconstructing this aspect of the wiring diagram, technicians can gain insights into how the electrical system contributes to the efficient and reliable performance of the Triton's transmission.

Realizing the Potential

Realizing the Potential

As we delve into the 2012 Triton Wiring Diagram, we are not merely unraveling wires – we are realizing the full potential of this remarkable vehicle. Armed with knowledge, enthusiasts and technicians alike can take control of their Triton's electrical destiny. It's a journey that transforms the seemingly complex web of wires into a tool for empowerment, ensuring that every aspect of the vehicle's electrical system is understood, optimized, and ready for the road ahead.

htmlCopy code

Understanding the 2012 Triton Wiring Diagram is like having a roadmap for your vehicle's electrical system. Here's a simple breakdown:

  • 1. **Blueprint Basics:** The wiring diagram is like a map that shows how all the wires in your Triton connect. It's the key to understanding the electrical layout.

  • 2. **Color Code Clues:** Wires come in different colors, and each color has a specific meaning. It's like a secret code that helps you identify what each wire does.

  • 3. **Power Pathways:** Mapping power sources is like discovering the energy flow in your Triton. It helps you know where the power comes from and how it reaches different parts of your vehicle.

  • 4. **Troubleshooting Tips:** The wiring diagram holds clues for common issues. It's like having a troubleshooter's guide, showing you where to look when something goes wrong.

  • 5. **Ground Connection Mastery:** Understanding ground connections is like ensuring a solid foundation for your Triton's electrical system. It keeps things stable and prevents problems.

  • 6. **Module Navigation:** Exploring electronic modules is like peeking into the brain of your Triton. You get to see how different parts communicate and work together.

  • 7. **Lighting Circuit Insights:** Delving into lighting circuits is like turning on a light in a dark room. You see how your headlights, taillights, and signals light up the road.

  • 8. **Transmission Connection Breakdown:** Looking at transmission wiring is like understanding how your Triton shifts gears. It's the key to a smooth and efficient ride.

  • 9. **Realizing the Potential:** As you grasp the wiring diagram, it's not just about wires – it's about realizing the full potential of your Triton. Knowledge becomes the tool that empowers you to take control of your vehicle's electrical destiny.

Another point of view about #EANF#.
htmlCopy code

Congratulations on navigating the intricate terrain of the 2012 Triton Wiring Diagram. As you've delved into the colorful world of wires, decoded the blueprint, and mastered the art of troubleshooting, you've equipped yourself with the keys to unlock the full potential of your Triton's electrical system.

As you journey into the future, armed with the insights gained from this exploration, remember that the 2012 Triton Wiring Diagram is not just a technical guide – it's a roadmap to empowerment. Each wire tells a story of connectivity, resilience, and the harmonious dance of electrons that propels your Triton forward. So, the next time you turn the key and hear the hum of your engine, know that you're not just starting a vehicle; you're igniting the synergy of a well-understood electrical symphony. Keep exploring, keep tinkering, and enjoy the ride with the newfound knowledge that the wires beneath your Triton's hood are not just conduits of electricity – they're threads of connection between you and the thrilling adventures that lie ahead.

Conclusion : Unlocking Power: 2012 Triton Wiring Diagram Demystified!.htmlCopy code

People Also Ask about 2012 Triton Wiring Diagram:

  • Q: How can I interpret the color-coded wires in the 2012 Triton Wiring Diagram?

    A: Understanding the color code is crucial. Match each color to its designated function. For instance, red wires often indicate power, while black wires usually represent ground connections. Refer to the diagram's legend for clarity.

  • Q: What's the best way to troubleshoot issues using the wiring diagram?

    A: Begin by identifying the affected circuit on the diagram. Follow the wires, check for loose connections, damaged insulation, or blown fuses. Utilize a multimeter to measure voltage and continuity. Our troubleshooting guide will assist you in pinpointing and resolving the issue.

  • Q: How do I navigate the electronic modules in the Triton's wiring system?

    A: Locate the modules on the diagram and understand their roles. Follow the connecting wires to grasp the communication pathways. If you encounter unfamiliar acronyms or symbols, refer to the vehicle's technical documentation or seek assistance from a professional.

  • Q: Can the wiring diagram help me with DIY upgrades or modifications?

    A: Absolutely! The diagram is your guide to understanding the Triton's electrical structure. Whether you're adding accessories or modifying components, follow the existing wiring paths, ensuring compatibility and avoiding potential issues.

  • Q: How often should I refer to the Triton Wiring Diagram for maintenance?

    A: Regularly consult the wiring diagram during routine maintenance or whenever you encounter electrical issues. It's a valuable tool for both preventive measures and reactive troubleshooting, ensuring your Triton remains in top-notch electrical condition.

Question and answer Unlocking Power: 2012 Triton Wiring Diagram Demystified!

Questions & Answer :Wiring Diagram, Triton 2012, Electrical Insights, Troubleshooting Tips

Keywords : #EANF#

0 komentar