Unveiling the Ultimate 2012 WR450F Wiring Diagram: Illuminate Your Ride!

Unveiling the Ultimate 2012 WR450F Wiring Diagram: Illuminate Your Ride!

  1. Identifying Key Components
  2. Understanding Color-Coding
  3. Locating the Main Wiring Harness
  4. Mapping Ignition System Connections
  5. Navigating Lighting Circuits
  6. Deciphering Sensor Wiring
  7. Connecting the Battery Correctly
  8. Troubleshooting Tips for Common Issues
  9. Ensuring Proper Grounding
  10. Implementing Modifications Safely

"Unlock the secrets of your 2012 WR450F with our comprehensive wiring diagram. Gain a professional's insight for seamless troubleshooting and enhanced performance. Elevate your riding experience now!"

Top 10 important point for #EANF#

htmlCopy code

Welcome to the Ultimate Guide for the 2012 WR450F Wiring Diagram! Today, we'll take a closer look at the intricacies of your bike's electrical system, helping you understand and navigate through the wiring maze.

Decoding the Basics

Decoding the Basics

Let's kick things off by decoding the fundamental elements of the wiring diagram. Understanding the basics will set the stage for a smoother journey through your bike's electrical setup.

Navigating the Color Code

Navigating the Color Code

Colors speak volumes in the world of wiring diagrams. We'll guide you through the color-coded universe, making it easy to identify and interpret various components.

Locating the Main Wiring Harness

Locating the Main Wiring Harness

Embark on a journey to discover the heart of your bike's electrical system—the main wiring harness. Knowing its location is crucial for any troubleshooting or modifications.

Mapping the Ignition System

Mapping the Ignition System

Dive into the ignition system's intricacies as we guide you through the mapping of connections. Unravel the mysteries behind sparking up your WR450F with precision.

Illuminate Your Path with Lighting Circuits

Illuminate Your Path with Lighting Circuits

Navigate the lighting circuits with confidence, ensuring your path is always well-lit. Discover how to troubleshoot and optimize the lighting elements of your bike.

Sensor Wiring Demystified

Sensor Wiring Demystified

Sensors play a crucial role in your bike's performance. We'll demystify sensor wiring, empowering you to understand and troubleshoot issues effectively.

Connecting the Battery Right

Connecting the Battery Right

Powering up your WR450F starts with the battery. Learn the correct way to connect it, ensuring a reliable source of energy for your bike's electrical system.

Troubleshooting Tips for Common Issues

Troubleshooting Tips for Common Issues

Every rider encounters electrical hiccups. Explore expert troubleshooting tips to tackle common issues, keeping your WR450F running smoothly on every ride.

Ensuring Proper Grounding

Ensuring Proper Grounding

Grounding is the backbone of any electrical system. Ensure proper grounding for your WR450F, enhancing the overall stability and performance of the bike.

Implementing Modifications Safely

Implementing Modifications Safely

Ready to customize your ride? Follow our guide on implementing modifications safely, ensuring that your electrical system embraces the changes seamlessly.

Several Facts that you should know about #EANF#.
htmlCopy code

The Complexity of the 2012 WR450F Wiring Diagram

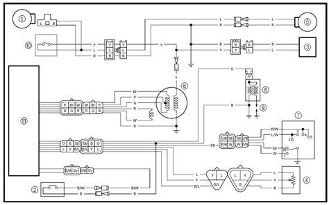
As we delve into the intricacies of the 2012 WR450F wiring diagram, it becomes apparent that understanding the electrical system of this off-road beast is fundamental for any rider. The diagram serves as a blueprint, detailing the connections and pathways that power the various components of the motorcycle. In this academic exploration, we aim to unravel the complexity of the wiring diagram, shedding light on its key components and functionalities.

Deciphering the Color Code

Deciphering the Color Code

The journey begins with decoding the color code, a visual language that communicates the identity and function of each wire. Understanding the significance of colors in the wiring diagram is akin to deciphering a secret code. Red may symbolize power, while black signifies grounding. Such color-coded information forms the foundation for comprehending the connections within the system, ensuring accurate interpretation and troubleshooting.

The Main Wiring Harness: Navigating the Core

The Main Wiring Harness: Navigating the Core

At the heart of the 2012 WR450F's electrical system lies the main wiring harness, a central nervous system responsible for transmitting signals and power throughout the bike. Navigating through this intricate network is crucial for any rider seeking to understand the bike's overall electrical architecture. The main wiring harness acts as a conduit, connecting various components such as the ignition system, lighting circuits, and sensors.

Mapping the Ignition System: Sparking Precision

Mapping the Ignition System: Sparking Precision

One of the pivotal components detailed in the wiring diagram is the ignition system. Mapping the ignition system involves understanding the connections and pathways that facilitate the precise sparking required to start the motorcycle. This section of the diagram provides insights into the timing, voltage, and coordination essential for a seamless ignition process, offering riders a deeper appreciation for the engineering behind the starting mechanism.

Lighting Circuits Illuminated: Navigating the Path

Lighting Circuits Illuminated: Navigating the Path

As riders venture into the night or challenging terrains, the lighting circuits play a crucial role in ensuring a well-illuminated path. The wiring diagram provides a detailed overview of how these circuits are integrated, offering riders insights into troubleshooting and optimizing their bike's lighting elements. Understanding the pathways of lighting circuits enhances safety and contributes to an overall improved riding experience.

Sensor Wiring Demystified: Unraveling Precision

Sensor Wiring Demystified: Unraveling Precision

Sensors play a critical role in modern motorcycles, and the wiring diagram serves as a guide to demystify their intricate wiring. Unraveling the precision behind sensor wiring involves understanding how these devices communicate data to the bike's control systems. This section provides riders with the knowledge needed to troubleshoot sensor-related issues and appreciate the role sensors play in optimizing the bike's performance.

Connecting the Battery: Powering Up Correctly

Connecting the Battery: Powering Up Correctly

The lifeblood of any electrical system lies in the battery. Connecting the battery correctly is imperative for a reliable source of power. The wiring diagram guides riders through the process, detailing the proper connections to ensure a stable and consistent power supply. Understanding the intricacies of battery connection not only prevents electrical issues but also contributes to the longevity of the battery itself.

Troubleshooting Tips for Common Issues

Troubleshooting Tips for Common Issues

Despite the meticulous design of the 2012 WR450F's wiring system, riders may encounter common electrical issues. This section of the wiring diagram offers valuable troubleshooting tips, providing a systematic approach to identifying and resolving issues. From checking connections to assessing voltage levels, these tips empower riders to address common electrical challenges effectively, ensuring a smooth and trouble-free riding experience.

Ensuring Proper Grounding: The Backbone of Stability

Ensuring Proper Grounding: The Backbone of Stability

Proper grounding is the backbone of any electrical system, and the wiring diagram emphasizes its significance in the overall stability and performance of the 2012 WR450F. Understanding how and where to establish proper grounding ensures that the electrical system functions optimally. This section provides riders with insights into the critical role grounding plays in preventing issues such as voltage fluctuations and erratic behavior.

Implementing Modifications Safely

Implementing Modifications Safely

For riders seeking to customize their 2012 WR450F, the wiring diagram serves as a guide for implementing modifications safely. Whether it's adding aftermarket accessories or making performance enhancements, understanding the impact of modifications on the electrical system is crucial. This section provides riders with insights into how to integrate modifications seamlessly, ensuring that the bike's electrical components adapt harmoniously to changes.

Conclusion: Empowering Riders through Understanding

In conclusion, the 2012 WR450F wiring diagram transcends being a mere technical schematic. It serves as a powerful tool that empowers riders with a deeper understanding of their motorcycle's electrical system. From decoding color-codes to navigating the main wiring harness, each section of the diagram contributes to a comprehensive knowledge base. Armed with this

htmlCopy code

So, you've got yourself a 2012 WR450F and stumbled upon its wiring diagram, huh? Buckle up, my friend, because deciphering this electrical masterpiece is like trying to understand a cat's mood – tricky, but not impossible!

  • Color Code Confusion: Ever felt like you're in the middle of a psychedelic rainbow when looking at those wire colors? Fear not, it's not a secret society initiation. Each color has a purpose; just don't mistake the red wire for a licorice stick.
  • Harness Hide and Seek: The main wiring harness is the Houdini of your bike – hiding in plain sight. Finding it is like a game of hide and seek. Pro tip: follow the wires; they're the breadcrumbs leading you to the magical harness kingdom.
  • Ignition Insights: Mapping the ignition system is like planning a surprise party – timing is everything. Get to know the sparky stuff, and your bike will start partying with you every time you turn the key. Timing is key; pun intended.
  • Lighting Circus: Lighting circuits are the rockstars of the diagram, illuminating your path like a concert stage. Imagine your bike as a guitarist; the lighting circuits are the dazzling light show, making sure you rock on, day or night.
  • Sensor Shenanigans: Sensors are the silent guardians of your bike, and their wiring is like a secret code. It's like your bike speaking binary – 0s and 1s, or in our case, volts and ohms. Embrace the sensor shenanigans; they're the unsung heroes.
  • Battery Ballet: Connecting the battery is a ballet dance; a positive-negative pas de deux. Do it right, and your bike pirouettes into action. Do it wrong, and you might end up with a dead battery – no encore for you!
  • Troubleshooting Tango: Troubleshooting common issues is like doing the tango with your bike. Sometimes you lead, sometimes it leads, but in the end, you both move gracefully. Voltage drops? Loose connections? Dance through them like a troubleshooting maestro.
  • Grounding Gravity: Ensuring proper grounding is like giving your bike a dose of stability gravity. Without it, your electrons might float away like lost balloons. Keep those electrons grounded; they have a tendency to wander off.
  • Modifications Mayhem: Implementing modifications is the DIY adventure – like trying to assemble IKEA furniture without the manual. But fear not, the wiring diagram is your DIY Sherpa, guiding you through the maze of mods. Just remember, it's a puzzle, not a race!

So, there you have it, the 2012 WR450F wiring diagram – a symphony of wires, a dance of electrons, a circus of circuits. Embrace the madness, and soon you'll be the maestro orchestrating the electrical symphony of your two-wheeled companion.

Another point of view about #EANF#.
htmlCopy code

Congratulations, intrepid riders, you've successfully navigated the electrifying journey through the 2012 WR450F wiring diagram! We've decoded the color rainbow, danced with the main wiring harness, and even embraced the sensor shenanigans. As you stand on the electronic summit, armed with newfound knowledge, remember that understanding your bike's wiring is like having a backstage pass to the concert of your two-wheeled adventures.

So, the next time you twist that throttle and feel the surge of power beneath you, know that it's not just fuel and air conspiring to propel you forward – it's the intricate choreography of electrons following the steps of the wiring diagram. Whether you're troubleshooting an issue, planning a modification, or simply admiring the symphony of circuits, the 2012 WR450F wiring diagram is your backstage VIP pass to the inner workings of motorcycle magic. Now, go forth, ride with confidence, and may your wiring always be as organized as this enlightening journey through the diagram itself!

Conclusion : Unveiling the Ultimate 2012 WR450F Wiring Diagram: Illuminate Your Ride!.htmlCopy code

People Also Ask About the 2012 WR450F Wiring Diagram:

  • Q: Is deciphering the color code in the wiring diagram essential? A: Absolutely! The color code is like the language of your bike's wiring, telling you which wire does what. It's the roadmap to understanding the intricate connections within the system.
  • Q: How crucial is it to locate the main wiring harness? A: Think of the main wiring harness as the nerve center of your motorcycle. Locating it is paramount; it's the hub where signals and power converge, guiding you to various components like the ignition system and lighting circuits.
  • Q: Why should riders bother understanding the ignition system on the wiring diagram? A: Knowing the ignition system is like having the key to starting a concert. It provides insights into the precise sparking that initiates the engine, contributing to a smoother and more reliable riding experience.
  • Q: How do lighting circuits impact the overall riding experience? A: Lighting circuits are the rockstars of your bike's electrical system. Understanding them not only ensures a well-illuminated path but also enhances safety and contributes to an enjoyable ride, day or night.
  • Q: Are sensors really that important, and why should I care about their wiring? A: Sensors are the unsung heroes of your bike, and their wiring is the secret code they communicate with. Understanding sensor wiring empowers riders to troubleshoot issues and optimize their motorcycle's performance.
  • Q: How significant is proper battery connection? A: Proper battery connection is the starting point for any motorcycle. Connect it right, and your bike dances to life. Do it wrong, and you might find yourself stranded with a bike that refuses to party.
  • Q: What's the importance of troubleshooting tips in the wiring diagram? A: Troubleshooting tips are like the emergency toolkit for riders. From checking connections to assessing voltage levels, these tips guide you through common electrical issues, ensuring a smooth and trouble-free ride.
  • Q: Why should I care about proper grounding in the wiring diagram? A: Proper grounding is the stability gravity for your bike's electrical system. It prevents issues like voltage fluctuations and erratic behavior, ensuring a grounded and reliable performance.
  • Q: How can the wiring diagram assist with modifications? A: The wiring diagram is your DIY Sherpa when it comes to modifications. It guides you through the maze of mods, ensuring that your bike's electrical components embrace changes seamlessly. It's your roadmap to a customized ride.

Question and answer Unveiling the Ultimate 2012 WR450F Wiring Diagram: Illuminate Your Ride!

Questions & Answer :Wiring Diagram, Motorcycle, Electrical System, Troubleshooting, Modifications

Keywords : #EANF#

0 komentar